首安技術資料
聯系我們
- 聯系人:郭經理
- 傳真:010-69552656
- 電話:400-0346-119
- 電話:010-57113119
- 郵箱:506665119@qq.com
- 地址:北京通州區新華北路117號
首安JTW-LD-SL-D1000A不可恢復式線型定溫火災探測器
時間:2018-11-12 14:04:06 品牌: 首安
![[!--oldtitle--]](/d/file/dianqihuozai/2018-11-12/6b0f7dfbcfd832e65a9af4bb8363ab4a.jpg)
JTW-LD-SL-D1000A不可恢復式線型定溫火災探測器是一種新型的不可恢復式線型定溫火災探測器,首安JTW-LD-SL-D1000A火災探測器由轉換盒、傳感電纜、終端盒三部分組成,報警溫度分為85℃、105℃,有普通型、本安型(ExiaⅡCT6)。傳感電纜為兩芯纜式絞合金屬屏蔽型結構。首安JTW-LD-SL-D1000A火災探測器采用繼電器無源觸點方式輸出,可方便地與其它廠家的火災報警控制器配套使用,廣泛應用于電纜廊道、油庫等工業場合。
二、JTW-LD-SL-D1000A不可恢復式線型定溫火災探測器功能特點
(1)符合--標準GB16280-2005《線型感溫火災探測器》及1號修改單的相關要求。
(2)靈敏度高,-小報警受熱長度為1米,-大使用長度為200米。
(3)具有定溫報警功能,額定報警溫度分為85℃、105℃兩個等級。
(4)可以監視傳感電纜的開路、短路故障。
(5)具有火災報警、故障報警兩組獨立無源繼電器觸點輸出。
(6)傳感電纜采用絞合纜式結構,抗機械損傷、抗電磁干擾能力強。
三、JTW-LD-SL-D1000A火災探測器技術參數
(1)探測器使用環境溫度:-10℃~50℃。
(2)傳感電纜-高使用環境溫度:
a.報警溫度85℃,對應-高使用環境溫度60℃;
b.報警溫度105℃,對應-高使用環境溫度75℃。
(3)使用環境相對濕度:≤95%,無凝露。
(4)工作電壓:DC24V±20%。
(5)靜態監視電流:≤20mA。
(6)報警狀態電流:≤30mA。
(7)繼電器觸點容量:1A/24VDC,0.3A/220VAC。
四、首安JTW-LD-SL-D1000A火災探測器系統接線方式
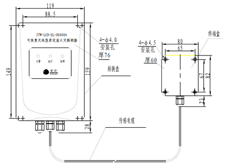
(1)外形尺寸及安裝示意圖

JTW-LD-SL-D1000A火災探測器外形尺寸及安裝示意圖
(2)接線端子說明
a.轉換盒接線端子說明
| 電源 | 電源 | 電源 | 電源 | 火警輸出 | 火警輸出 | 故障輸出 | 故障輸出 | 傳感電纜 | 傳感電纜 | 傳感電纜 | 傳感電纜 | 傳感電纜 | 傳感電纜 |
| 24V | 24V | GND | GND | HJ | HJ | GZ | GZ | D- | D+ | B- | B+ | C- |
C+ |
| 1 | 2 | 3 | 4 | 5 | 6 | 7 | 8 | 9 | 10 | 11 | 12 | 13 | 14 |
●端子1-4:DC24V電源端子,端子1、2為供電電源DC24V的正極,端子3、4為供電電源DC24V的負極;
●端子5-6:火災報警繼電器(報警時閉合)輸出;
●端子7-8:故障報警繼電器(故障時斷開)輸出;
●端子9-10:傳感電纜接入端子,傳感電纜包有鋁包帶的芯線接端子D+,另一芯線接端子D-;
●端子10-14:備用。
b.終端盒接線端子說明
| 1 | 2 | 3 | 4 | 5 | 6 |
| D- | D+ | B- | B+ | C- | C+ |
終端盒接線端子D+、D-分別通過傳感電纜的導體與轉換盒的接線端子對應連接。
c.接線方式
JTW-LD-SL-D1000A火災探測器與火災報警控制系統配套使用時,可通過其輸入(監視)模塊,將線型感溫火災探測器的報警信號接入系統,其接線方式見下圖。

五、JTW-LD-SL-D1000A不可恢復式線型定溫火災探測應用場所
(1)電纜隧道(廊道)、電纜夾層、電氣地下室、電纜豎井、電纜橋架等電纜類場所。
(2)油庫、液壓站、油管廊等油類場所。
(3)各種皮帶輸送裝置。
(4)配電裝置、開關設備、變壓器等。
(5)控制室、計算機室的夾層、悶頂內、地板下及重要設施隱蔽處等。
(6)公路隧道、地鐵等交通隧道。
(7)石化或化學儲存和生產區域、化學品工廠、酒庫、倉庫及貨架庫等。








